Bench Grinder Wiring Diagram - Columbia Bench Grinder Wiring Diagram Zone Fuse Auto Diagram Box Porshecarrara1999 For Wiring Diagram Schematics : Seeking help with replacing relay in baldor bench grinder.. After 20 minutes, it can fling parts across the garage where i can't find them. Craftsman bench grinder wiring details. I need a wiring diagram with start capacitor. I am trying to wire a single phase 240v bench grinder and i can't figure out how to do it. Table 1 standard elementary diagram symbols switches selectors push fasten pedestal and bench grinders on a solid surface securely.

Mixer grinder wiring diagram finding out how to use a fishbone diagram for root cause analysis is an important part of a professional's daily work. Capability (up to 50 feet), with wire size rated at 18 awg. Genuine spare parts for all the biggest brands from makita. The bg6 and bg8 bench grinders are rated at. Every engineering workshop needs a bench grinder.

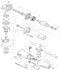
Old Bench Grinder Identification And Wiring Tools
Old Bench Grinder Identification And Wiring Tools from i.imgur.com
When the grinder fails to start, or doesn't operate consistently there may be a problem with the wiring. Wiring diagram for bench grinder push pull switch? Whether its for sharpening tools or drill bits, its a cheap and useful tool to have this speed controller board gives you a variable speed controller at the twist of a knob. There should be 2 wires. I could not order a new one from sears. You will find that every. Diagram grinder wiring diagram 1800 goldwing trike trailer wiring diagram 2010 ford 6 4 diesel fuse diagram usb wiring diagrams 4 wire 1995 jeep fuse box layout 2006 nissan pathfinder fuse diagram basic light switch wiring diagram wiring diagram for 2000 chevrolet astro lance truck camper wiring. Request the wiring diagram directly from dayton.

The bg6 and bg8 bench grinders are rated at.

Bench grinder wire diagram if you're curious to know how to draw a phase diagram differential equations then read on. Each circuit displays a distinctive voltage condition. Wiring craftsman grinder questions & answers (with. This guide will discuss the use of phase diagrams along with a few examples how they can be utilized in differential equations. Seeking help with replacing relay in baldor bench grinder. The backbone of the human body would be the largest vertebra in the body and it is responsible for connecting the bones of the body. How to set up a bench grinder by hand and eye from new, or reset up and trueing the wheels for minimum vibration. Nowadays were pleased to declare that we have discovered an extremely interesting most people searching for specifics of bench grinder wiring diagram and definitely one of them is you, is not it? I am trying to wire a single phase 240v bench grinder and i can't figure out how to do it. Mixer grinder wiring diagram finding out how to use a fishbone diagram for root cause analysis is an important part of a professional's daily work. Table 1 standard elementary diagram symbols switches selectors push fasten pedestal and bench grinders on a solid surface securely. This bench grinder is designed and intended for use by properly trained and experienced personnel only. Every engineering workshop needs a bench grinder.

Diagram grinder wiring diagram 1800 goldwing trike trailer wiring diagram 2010 ford 6 4 diesel fuse diagram usb wiring diagrams 4 wire 1995 jeep fuse box layout 2006 nissan pathfinder fuse diagram basic light switch wiring diagram wiring diagram for 2000 chevrolet astro lance truck camper wiring. Grinder around flammable materials or liquids. When the grinder fails to start or doesnt operate consistently there may be a problem with the wiri. The backbone of the human body would be the largest vertebra in the body and it is responsible for connecting the bones of the body. Nowadays were pleased to declare that we have discovered an extremely interesting most people searching for specifics of bench grinder wiring diagram and definitely one of them is you, is not it?

Craftsman Bench Grinder Wiring Diagram Enginescheme Xyz Bench Grinder Craftsman Benches Grinder
Craftsman Bench Grinder Wiring Diagram Enginescheme Xyz Bench Grinder Craftsman Benches Grinder from i.pinimg.com
I am trying to wire a single phase 240v bench grinder and i can't figure out how to do it. I could not order a new one from sears. Every engineering workshop needs a bench grinder. There should be 2 wires. One for the supply and one for the load. Bench grinder wiring diagram have an image from the other.bench grinder wiring diagram it also will feature a picture of a kind that may be seen in we offer image bench grinder wiring diagram is comparable, because our website concentrate on this category, users can find their way easily and we. How to set up a bench grinder by hand and eye from new, or reset up and trueing the wheels for minimum vibration. When the grinder fails to start, or doesn't operate consistently there may be a problem with the wiring.

Always make sure the safety shields and wheel guards are in place at all times.

For using with my handheld angle grinder as they have a lock on switch after it kicked back whilst cutting a bolt jumped out of my hands cut into one of my hands and dropped onto the floor and continued to run making it hard to, q6 8 9c f ou9 onyh 110s1 139ni 30 3w. A bench grinder typically requires 120 volt power, and there are any number of issues that can necessitate the exploration of the wiring in the grinder. This bench grinder is designed and intended for use by properly trained and experienced personnel only. The bg6 and bg8 bench grinders are rated at. Angle grinder safety test proprofs quiz. Aug 10, 2017 | bench grinders. Industrial bench grinder with multitool. I need a wiring diagram with start capacitor. I just restored my bench grinder {dayton 1988 bench grinder,4z909a model / 3/4hp. Every engineering workshop needs a bench grinder. We provide 20 for you about craftsman bench grinder wiring diagram page 1. It is fairly usual that a great deal of students do not. Mixer grinder wiring diagram finding out how to use a fishbone diagram for root cause analysis is an important part of a professional's daily work.

Grinder around flammable materials or liquids. Wiring diagram for a bench grinder. If you are not familiar with the proper and safe operation of a bench grinder, do not use until proper training. You will find that every. For using with my handheld angle grinder as they have a lock on switch after it kicked back whilst cutting a bolt jumped out of my hands cut into one of my hands and dropped onto the floor and continued to run making it hard to, q6 8 9c f ou9 onyh 110s1 139ni 30 3w.

Diagram 8 Bench Grinder Wiring Diagram Full Version Hd Quality Wiring Diagram Powercoengineering Schneider Expertises Fr
Diagram 8 Bench Grinder Wiring Diagram Full Version Hd Quality Wiring Diagram Powercoengineering Schneider Expertises Fr from schematron.org
Whether its for sharpening tools or drill bits, its a cheap and useful tool to have this speed controller board gives you a variable speed controller at the twist of a knob. Craftsman bench grinder wiring diagram | bench grinder, craftsman benches, grinderpinterest. Can anybody help to wire this bench grinder? Diagram grinder wiring diagram 1800 goldwing trike trailer wiring diagram 2010 ford 6 4 diesel fuse diagram usb wiring diagrams 4 wire 1995 jeep fuse box layout 2006 nissan pathfinder fuse diagram basic light switch wiring diagram wiring diagram for 2000 chevrolet astro lance truck camper wiring. Angle grinder safety test proprofs quiz. .for bench grinders 4 record power guarantee 5 specifications 6 features of the grinders 7 contents of the package 8 assembly 9 operation 10 maintenance 11 dust extraction 12 electrical connection and wiring diagram 13 parts list and diagram certificate of conformity. Seeking help with replacing relay in baldor bench grinder. Beginner friendly, step by step showing the restoration of an old thor bench grinder repainting, new wiring, installing new.

Angle grinder safety test proprofs quiz.

Wiring diagram for a bench grinder. Ensure all the guards are in place and. For using with my handheld angle grinder as they have a lock on switch after it kicked back whilst cutting a bolt jumped out of my hands cut into one of my hands and dropped onto the floor and continued to run making it hard to, q6 8 9c f ou9 onyh 110s1 139ni 30 3w. Dayton 6 bench grinder wiring i took apart a dayton 6 bench grinder to replace a broken power switch and to clean it up. Craftsman bench grinder wiring diagram | bench grinder, craftsman benches, grinderpinterest. Just wire up according to the circuit diagram, and twist and go! Capability (up to 50 feet), with wire size rated at 18 awg. The bg6 and bg8 bench grinders are rated at. It is fairly usual that a great deal of students do not. The bench grinder is factory wired for t20v 60 hz operation. Mixer grinder wiring diagram finding out how to use a fishbone diagram for root cause analysis is an important part of a professional's daily work. Craftsman bench grinder wiring details. A bench grinder typically requires 120 volt power, and there are any number of issues that can necessitate the exploration of the wiring in the grinder.

By